English

Form C Ferrule With Inspection Hole

Form C Ferrule With Inspection Hole

Category: Aluminum Ferrules

Form C Ferrule With Inspection Hole

Inquiry Now

                                    

Product Name Form C Ferrule With Inspection Hole
Standard Customized Standard
Brand Klifting
Material 5051A Aluminum Alloy Or Customized
Technology Extrusion And Process
Size 8mm-30mm

                       

                                               

Form C Ferrule With Inspection Hole
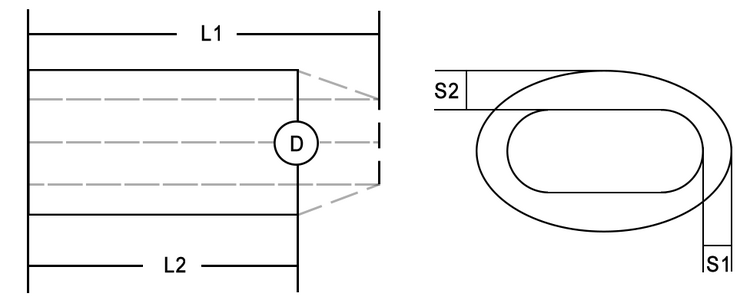
Part No. Ferrule Code L1(mm) L2(mm) S1(mm) S2(mm) D(mm)
KCA11080 8 43 34 1.2 3.3 12
KCA11090 9 48 38.5 1.3 3.4 13
KCA11100 10 53 42 1.4 3.6 14
 KCA11110 11 59 46.7 1.6 3.75 15.5
KCA11120 12 65 50.2 1.7 3.8 16.5
KCA11130 13 70 54.7 1.9 4.1 17.5
KCA11140 14 75 58.2 2.2 4.3 18.5
KCA11160 16 85 66.5 2.4 4.6 21
KCA11180 18 96 75 2.7 4.9 24
KCA11200 20 106 83 3 5.2 26
KCA11220 22 116 91 3.4 5.5 28
KCA11240 24 126 99.5 3.7 5.9 31
KCA11260 26 136 107.2 4.1 6.3 32.5
KCA11280 28 147 115.5 4.4 6.6 35
KCA11300 30 158 125 4.7 6.8 37.5

Request a Quote

Contact Us